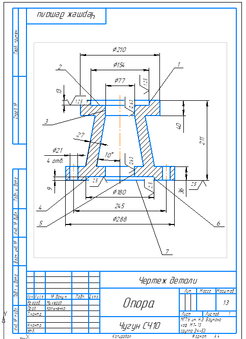
Для студентов МГТУ им. Н.Э.Баумана по предмету Технология конструкционных материалов (ТКМ)Разработка технологии изготовления отливок - ОпораРазработка технологии изготовления отливок - Опора
5,005111
2021-02-232024-09-01СтудИзба
ДЗ 1: Разработка технологии изготовления отливок - Опора вариант 21, 35
-51%
Описание
Содержание
- Анализ чертежа детали
- Выбор способа изготовления отливок и уточнение чертежа
- Расчет припуска на механическую обработку
- Выбор величины формовочных уклонов
- Расчет скруглений между пересекающимися поверхностями
- Определение количества стержней, их границ и размеров стержневых знаков
- Выбор припуска на усадку
Чертежи
- Исходная деталь
- Отливка
- Литейная форма

Характеристики домашнего задания
Учебное заведение
Номер задания
Просмотров
314
Качество
Идеальное компьютерное
Размер
100,86 Kb
Список файлов
Разработка технологии изготовления отливок - Опора
Опора.cdw
Отливка.cdw
Разработка технологии изготовления отливок - Опора.docx
Эскиз песчаной формы.cdw

Вам все понравилось? Получите кэшбэк - 40 рублей на Ваш счёт при покупке. Поставьте оценку и напишите положительный комментарий к купленному файлу. После Вы получите деньги на ваш счет.
Комментарии

Отзыв
Старый тип задачи, но посчитан хорошо