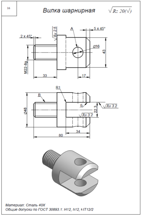
Для студентов МГТУ им. Н.Э.Баумана по предмету Технология конструкционных материалов (ТКМ)Механическая обработка заготовок деталей машин - Вилка шарнирнаяМеханическая обработка заготовок деталей машин - Вилка шарнирная
5,00518
2020-12-202020-12-20СтудИзба
ДЗ 3: Механическая обработка заготовок деталей машин - Вилка шарнирная вариант 3, 16
Описание
Качественно оформленная и проверенная работа в электронном виде
![]()

Характеристики домашнего задания
Учебное заведение
Номер задания
Просмотров
242
Размер
326 Kb
Список файлов
ДЗ №2 Вилка шарнирная.docx
Вопросы
Вопрос
в какой программе сделаны чертежи?
МГТУ им. Н.Э.Баумана
Boris


















