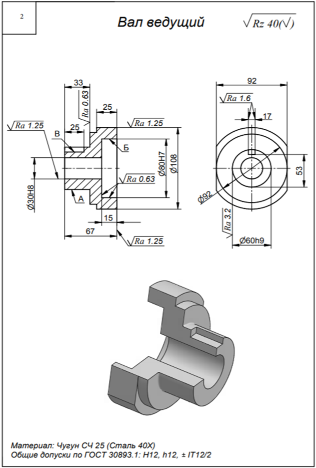
Для студентов МГТУ им. Н.Э.Баумана по предмету Технология конструкционных материалов (ТКМ)Механическая обработка заготовок деталей машин - Вал ведущийМеханическая обработка заготовок деталей машин - Вал ведущий
5,0051
2020-11-242025-06-01СтудИзба
ДЗ 3: Механическая обработка заготовок деталей машин - Вал ведущий вариант 2
Описание
Документ ворд ![]()

Характеристики домашнего задания
Учебное заведение
Номер задания
Вариант
Просмотров
160
Качество
Идеальное компьютерное
Размер
395,45 Kb
Список файлов
ТКМ ДЗ 3.docx
МГТУ им. Н.Э.Баумана



















