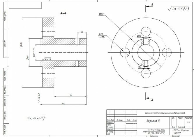
Для студентов МГТУ им. Н.Э.Баумана по предмету Технология конструкционных материалов (ТКМ)Механическая обработка заготовок деталей машин - ВтулкаМеханическая обработка заготовок деталей машин - Втулка
5,0051
2020-11-062020-11-06СтудИзба
ДЗ 3: Механическая обработка заготовок деталей машин - Втулка вариант 12
Описание
В архиве находятся чертеж (для обработки) в формате .idw (inventor 2021). Модели деталей в формате .ipt (inventor 2021). Модель с обработкой в формате .f3d (fusion 360 последний версии). Сам файл для сдачи word.
![]()
Характеристики домашнего задания
Учебное заведение
Номер задания
Вариант
Просмотров
152
Размер
10,18 Mb
Список файлов
InkedInkedСнимок экрана (69)_LI.jpg
InkedInkedСнимок экрана (85)_LI.jpg
ДЗ1.docx
ДЗ1.f3d
Модель инвентор под обработку.idw
Модель инвентор под обработку.ipt
Модель инвентор.ipt
Комментарии
Нет комментариев
Стань первым, кто что-нибудь напишет!
МГТУ им. Н.Э.Баумана
dolgota46


















