Для студентов МГТУ им. Н.Э.Баумана по предмету Технология конструкционных материалов (ТКМ)Механическая обработка заготовок деталей машин - Вал ведущийМеханическая обработка заготовок деталей машин - Вал ведущий
4,0158
2020-06-032025-06-06СтудИзба
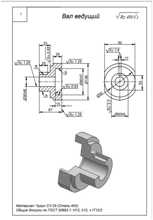
ДЗ 3: Механическая обработка заготовок деталей машин - Вал ведущий вариант 2
Описание
Характеристики домашнего задания
Учебное заведение
Номер задания
Вариант
Просмотров
265
Качество
Идеальное компьютерное
Размер
1,7 Mb
Список файлов
Вал ведущий.docx
Деталь1 копия.ipt
Деталь1.idw
Деталь1.ipt
Если вам понравился файл - пожалуйста, оцените его. Спасибо!
Комментарии
Нет комментариев
Стань первым, кто что-нибудь напишет!
МГТУ им. Н.Э.Баумана
JohnWick


















