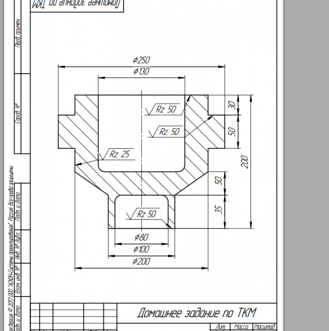
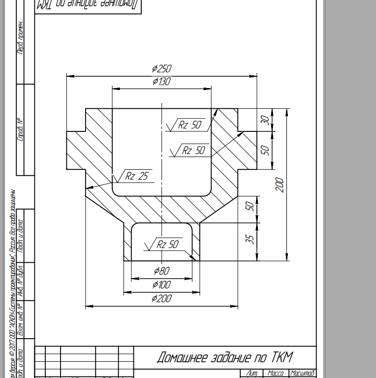
Для студентов МГТУ им. Н.Э.Баумана по предмету Технология конструкционных материалов (ТКМ)Механическая обработка заготовок деталей машин - Втулка опорнаяМеханическая обработка заготовок деталей машин - Втулка опорная
5,0051
2020-05-312020-05-31СтудИзба
ДЗ 3: Механическая обработка заготовок деталей машин - Втулка опорная вариант 22
Описание
Характеристики домашнего задания
Учебное заведение
Номер задания
Вариант
Просмотров
204
Размер
328,49 Kb
Список файлов
4 дз допечатать.docx
4 дз ж-ов.docx
дз 4 мех обр.cdw
МГТУ им. Н.Э.Баумана



















