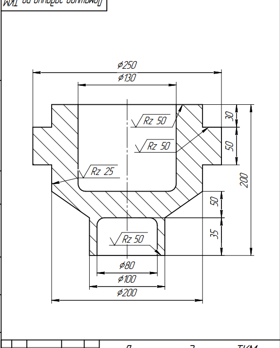
Для студентов МГТУ им. Н.Э.Баумана по предмету Технология конструкционных материалов (ТКМ)Разработка технологии изготовления отливок - Втулка опорнаяРазработка технологии изготовления отливок - Втулка опорная
5,0054
2020-05-312020-05-31СтудИзба
ДЗ 1: Разработка технологии изготовления отливок - Втулка опорная вариант 22
Описание

Характеристики домашнего задания
Учебное заведение
Номер задания
Вариант
Просмотров
445
Размер
262,7 Kb
Список файлов
Заготовка _ Домашнее задание по ТКМ.cdw
Заготовка _ Домашнее задание по ТКМ.pdf
ЛФ 1.cdw
ОФ 1.cdw
ПФ 1.cdw
дз 1 ж-ов.docx
МГТУ им. Н.Э.Баумана



















