Для студентов МГТУ им. Н.Э.Баумана по предмету Технология конструкционных материалов (ТКМ)Механическая обработка заготовок деталей машин - Плита кондукторнаяМеханическая обработка заготовок деталей машин - Плита кондукторная
5,0059
2017-08-162024-09-01СтудИзба
ДЗ 3: Механическая обработка заготовок деталей машин - Плита кондукторная вариант 7, 23
-51%
Описание

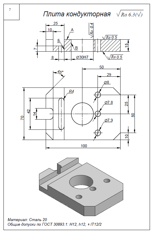
- Задача №1.
согласно требованиям к точности размеров и шероховатости поверхности, установленным чертежом
детали.
С учетом типа производства или объема выпуска для выбранных способов обработки
указанных поверхностей назначить и обосновать тип оборудования, режущего инструмента,
составить рациональные схемы обработки этих поверхностей и разработать последовательность
обработки каждой из поверхностей, начиная от заготовки.
- Задача №2.
целью улучшения технологичности и начертить чертёж измененной конструкции детали.
Характеристики домашнего задания
Учебное заведение
Номер задания
Программы
Просмотров
1536
Качество
Идеальное компьютерное
Размер
133,95 Kb
Список файлов
Механическая обработка заготовок деталей машин - Плита кондукторная.docx

Вам все понравилось? Получите кэшбэк - 40 рублей на Ваш счёт при покупке. Поставьте оценку и напишите положительный комментарий к купленному файлу. После Вы получите деньги на ваш счет.