Для студентов МГТУ им. Н.Э.Баумана по предмету Технология конструкционных материалов (ТКМ)Разработка технологии изготовления отливок - МуфтаРазработка технологии изготовления отливок - Муфта
5,0052
2016-10-162025-05-19СтудИзба
ДЗ 1: Разработка технологии изготовления отливок - Муфта вариант 31
-51%
Описание

Содержание
- 1.1 Анализ требуемого уровня механических свойств и эксплуатационных характеристик, с целью выбора марки материала для изготовления отливки.
- 1.2 Анализ геометрии и оценка массы детали
- 1.3 Выбор способа изготовления отливки.
- 1.4 Выбор положения отливки в литейной форме при заливке.
- 1.5 Определение расположения разъема модели и литейной формы.
- 1.6 Назначение припусков на механическую обработку.
- 1.7 Определение величины формовочных уклонов.
- 1.8 Расчет закруглений между пересекающимися поверхностями и стенками.
- 1.9 Определение количества стержней, их границ и размеров стержневых знаков.
- 1.10 Разработка чертежа отливки.
- 1.11 Выбор припуска на усадку.
- 1.12 Разработка эскиза литейной формы.
- 1.13 Расчет коэффициентов выхода годного, весовой точности и коэффициента использования материала для литой детали «Муфта».
- 1.14 Заключение
Чертежи
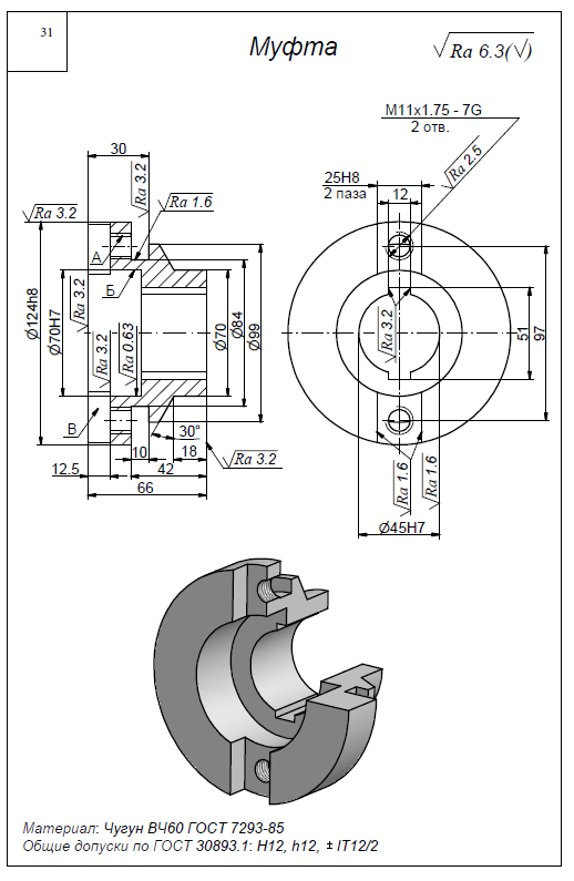
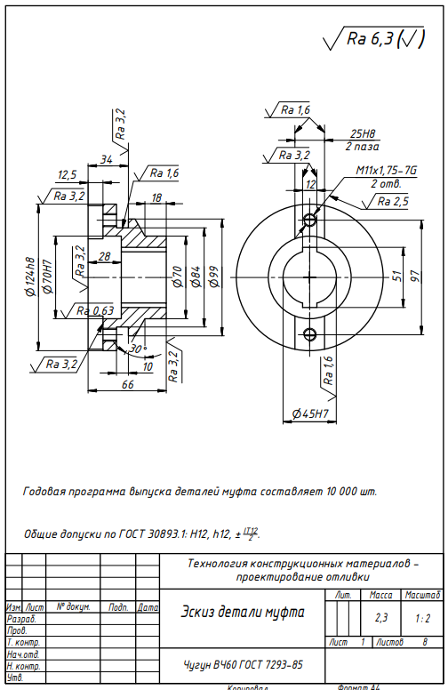
- Эскиз детали
- Разделение детали на простые объемы
- Положение отливки и назначение поверхности разъема в литейной форме
- Эскиз отливки с припусками
- Эскиз отливки с формовочными уклонами
- Эскиз отливки со стержнями
- Чертеж отливки
- Эскиз литейной формы для отливки детали
Характеристики домашнего задания
Учебное заведение
Номер задания
Вариант
Программы
Просмотров
1219
Качество
Идеальное компьютерное
Размер
522,24 Kb
Список файлов
Разработка технологии изготовления отливок - Муфта.pdf

Вам все понравилось? Получите кэшбэк - 40 рублей на Ваш счёт при покупке. Поставьте оценку и напишите положительный комментарий к купленному файлу. После Вы получите деньги на ваш счет.