Для студентов МГТУ им. Н.Э.Баумана по предмету Технология конструкционных материалов (ТКМ)Механическая обработка заготовок деталей машин - Колесо зубчатоеМеханическая обработка заготовок деталей машин - Колесо зубчатое
4,91518
2015-11-192024-09-01СтудИзба
ДЗ 3: Механическая обработка заготовок деталей машин - Колесо зубчатое вариант 11
-51%
Описание

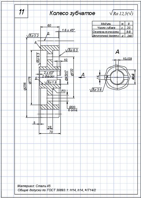
- Привести чертеж детали.
- По чертежу детали оценить технологичность конструкции и дать свои предложения по ее изменению с целью улучшения технологичности для выбранных условий изготовления. Изобразить эскиз измененной конструкции детали. (Тип производства – единичное).
- Выбрать способ получения заготовки. Нарисовать эскиз заготовки.
- Для указанных на чертеже детали поверхностей (А, Б, В) (см. эскиз детали) выбрать вид обработки с учетом точности размеров и шероховатости поверхности. Обосновать выбор оборудования и режущего инструмента с учетом типа производства. Изобразить схемы обработки этих поверхностей.
- Предложить вариант последовательности обработки детали.
Содержание
- Анализ исходных данных.
- Оценка технологичности детали.
- Способы обработки поверхностей А, Б, В.
- Вид заготовки.
- Условия технической реализации обработки поверхностей и последовательность обработки детали.
- Приложения.
Чертежи
- Исходная деталь
- Обработка заданных поверхностей
Характеристики домашнего задания
Учебное заведение
Номер задания
Вариант
Программы
Просмотров
1890
Качество
Идеальное компьютерное
Размер
1,06 Mb
Список файлов
Механическая обработка заготовок деталей машин - Колесо зубчатое.doc
Приложения.doc
Чертежи.dwg

Вам все понравилось? Получите кэшбэк - 40 рублей на Ваш счёт при покупке. Поставьте оценку и напишите положительный комментарий к купленному файлу. После Вы получите деньги на ваш счет.