Для студентов МГТУ им. Н.Э.Баумана по предмету Технология конструкционных материалов (ТКМ)Разработка технологии изготовления отливок - ОпораРазработка технологии изготовления отливок - Опора
5,0054
2015-11-012024-09-01СтудИзба
ДЗ 1: Разработка технологии изготовления отливок - Опора вариант 4
-51%
Описание

Содержание
- Анализ чертежа детали
- Выбор метода и способа изготовления отливок
- Разработка чертежа элементов литейной формы. Уточнение чертежа детали
- Выбор расположения модели и отливки в литейной форме
- Расчет припуска на механическую обработку
- Выберем величину формовочных уклонов
- Расчет скруглений между пересекающимися поверхностями
- Определение количества стержней, их границ и размеров стержневых знаков
- Выбор припуска на усадку
- Отработка на технологичность конструкции литой детали «шкив»
Чертежи
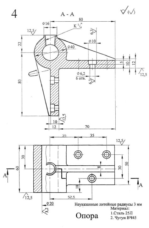
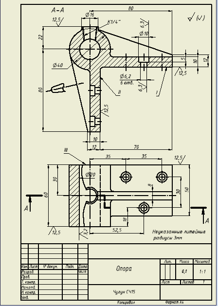
- Исходная деталь
- Отливка
- Литейная форма
Характеристики домашнего задания
Учебное заведение
Номер задания
Вариант
Программы
Просмотров
1346
Качество
Идеальное компьютерное
Размер
2,28 Mb
Список файлов
Разработка технологии изготовления отливок - Опора.docx
Исходная деталь.idw
Отливка - 1.idw
Отливка - 2.idw
Литейная форма.idw
Исходная деталь.ipt
Отливка.ipt

Вам все понравилось? Получите кэшбэк - 40 рублей на Ваш счёт при покупке. Поставьте оценку и напишите положительный комментарий к купленному файлу. После Вы получите деньги на ваш счет.