Для студентов МГТУ им. Н.Э.Баумана по предмету Технология конструкционных материалов (ТКМ)Разработка технологии изготовления отливок - СтойкаРазработка технологии изготовления отливок - Стойка
5,0054
2013-10-202024-09-01СтудИзба
ДЗ 1: Разработка технологии изготовления отливок - Стойка вариант 14
-51%
Описание
Содержание
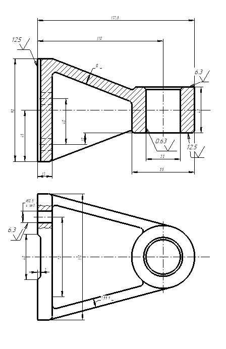
- Задание и исходные данные. Разработать технологию изготовления отливки. Исходные данные заданы в виде чертежа детали, которую необходимо получить. Чертеж представлен в графической части задания (лист 1).
- 1. Анализ чертежа детали.
- 2. Выбор способа изготовления отливки.
- 3.Составление чертежа элементов литейной формы.
- 4. Проектирование литниковой системы.
- 5. Проверка технологичности литой заготовки.
Чертежи
- Исходная деталь
- Отливка
- Литейная форма
Характеристики домашнего задания
Учебное заведение
Номер задания
Вариант
Просмотров
1358
Качество
Идеальное компьютерное
Размер
136,16 Kb
Список файлов
Разработка технологии изготовления отливок - Стойка
Разработка технологии изготовления отливок - Стойка.doc
Чертежи.dwg
Чертежи.frw

Вам все понравилось? Получите кэшбэк - 40 рублей на Ваш счёт при покупке. Поставьте оценку и напишите положительный комментарий к купленному файлу. После Вы получите деньги на ваш счет.