Для студентов МГТУ им. Н.Э.Баумана по предмету Технология конструкционных материалов (ТКМ)Разработка технологии изготовления отливок - КрышкаРазработка технологии изготовления отливок - Крышка
4,585121
2013-10-202024-09-01СтудИзба
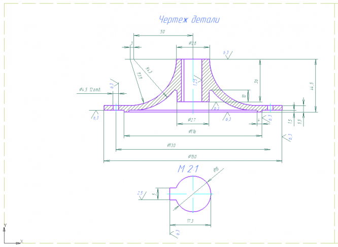
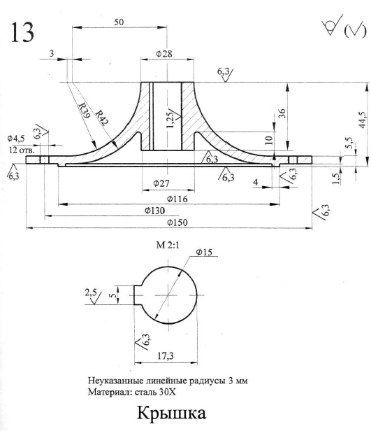
ДЗ 1: Разработка технологии изготовления отливок - Крышка вариант 13
-51%
Описание
Содержание
- 1.1. Анализ чертежа детали.
- 1.2. Выбор метода и способа изготовления заготовки.
- 1.3. Выбор способа изготовления отливок.
- 1.4. Разработка чертежа элементов литейной формы.
- 1.4.1. Уточнение чертежа детали.
- 1.4.2. Выбор расположения модели и отливки в литейной форме.
- 1.4.3. Расчет припуска на механическую обработку.
- 1.4.4. Выбор величины формовочных уклонов.
- 1.4.5. Расчет скруглений между пересекающимися поверхностями.
- 1.4.6. Определим количество стержней, их границы и размеры
- 1.4.7. Выбор припуска на усадку.
- 1.4.8. Проектирование литниковой системы.
- 1.4.9. Назначение температуры заливки.
- 1.5. Разработка эскиза литейной формы.
- 1.6. Отработка на технологичность конструкции литой детали при отливке в песчаные формы.
Чертежи
Характеристики домашнего задания
Учебное заведение
Номер задания
Вариант
Просмотров
2377
Качество
Идеальное компьютерное
Размер
127,47 Kb
Список файлов
Разработка технологии изготовления отливок - Крышка
Вычисления.mw
Разработка технологии изготовления отливок - Крышка.doc
Чертежи.dwg
Чертежи.frw

Вам все понравилось? Получите кэшбэк - 40 рублей на Ваш счёт при покупке. Поставьте оценку и напишите положительный комментарий к купленному файлу. После Вы получите деньги на ваш счет.
Комментарии

Отзыв
Хорошо