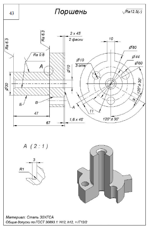
Для студентов МГТУ им. Н.Э.Баумана по предмету Технология конструкционных материалов (ТКМ)Механическая обработка заготовок деталей машин - ПоршеньМеханическая обработка заготовок деталей машин - Поршень
5,0059
2013-10-202024-09-01СтудИзба
ДЗ 3: Механическая обработка заготовок деталей машин - Поршень вариант 43
-51%
Описание
Содержание
- 1. Анализ исходных данных.
- 2. Оценка технологичности конструкции детали.
- 3. Выбор способа обработки.
- 4. Выберем вид заготовки.
- 5. Последовательность обработки поверхностей.
- (Поверхность А)
- (Поверхность Б)
- (Поверхность В)
Чертежи
- Исходная деталь
- Заготовка
- Схемы обработки поверхностей

Характеристики домашнего задания
Учебное заведение
Номер задания
Вариант
Просмотров
1693
Качество
Идеальное компьютерное
Размер
165,36 Kb
Список файлов
Механическая обработка заготовок деталей машин - Поршень
Механическая обработка заготовок деталей машин - Поршень.doc
Чертежи.dwg
Чертежи.frw

Вам все понравилось? Получите кэшбэк - 40 рублей на Ваш счёт при покупке. Поставьте оценку и напишите положительный комментарий к купленному файлу. После Вы получите деньги на ваш счет.