Для студентов МГТУ им. Н.Э.Баумана по предмету Технология изготовления штамповой оснасткиРазработка технологии изготовления пуансона и матрицы вырубного штампаРазработка технологии изготовления пуансона и матрицы вырубного штампа
5,0053
2021-02-152021-02-15СтудИзба
ДЗ: Разработка технологии изготовления пуансона и матрицы вырубного штампа
Описание
1.Исходные данные
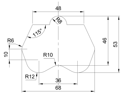
Исходный чертеж вырубаемой детали:
Толщина детали: 0,7мм.
Требуемая размерная точность: IT14.
Тип производства: серийное.
Выбор заготовки детали.
В соответствии с исходными данными принимаем в качестве исходного материала холоднокатаную ленту по ГОСТ 2284-79. Ширину ленты, с учётом перемычек между торцами ленты и деталью и с учётом стандартного ряда ширин ленты по ГОСТ 2284-79, принимаем равной - 60мм. Сопоставив допуски на толщину ленты и требуемую размерную точность, получаем, что для нашего случая вполне пригодна лента нормальной точности:
Лента 45 0,7×60 ГОСТ 2284-79.
Пуансон. Вследствие малого поперечного сечения пуансона принимаем нетехнологичную конструкцию пуансона с буртом. Выполняем методом электроэрозионной обработки.
Матрица. Принимаем цельной, в связи, с чем при её производстве придётся использовать метод электроэрозионной обработки.
2. Расчет размеров рабочих частей матрицы и пуансона
3. Технологический маршрут изготовления вырубной матрицы
4. Технологический маршрут изготовления вырубного пуансона
5. Сборка вырубного штампа
Характеристики домашнего задания
Учебное заведение
Теги
Просмотров
71
Качество
Идеальное компьютерное
Размер
889,51 Kb
Преподаватели
Список файлов
Разработка технологии изготовления пуансона и матрицы вырубного штампа - Клевер.docx

Вам все понравилось? Получите кэшбэк - 40 рублей на Ваш счёт при покупке. Поставьте оценку и напишите положительный комментарий к купленному файлу. После Вы получите деньги на ваш счет.