Для студентов МГТУ им. Н.Э.Баумана по предмету Технология инструментального производства (ТИП)Заточка многолезвийного инструментаЗаточка многолезвийного инструмента
4,87583
2023-09-102023-09-10СтудИзба
ДЗ 4: Заточка многолезвийного инструмента вариант 9
Описание
- Домашнее задание № 4 по "Технология инструментального производства" ("ТИП")
Задание:
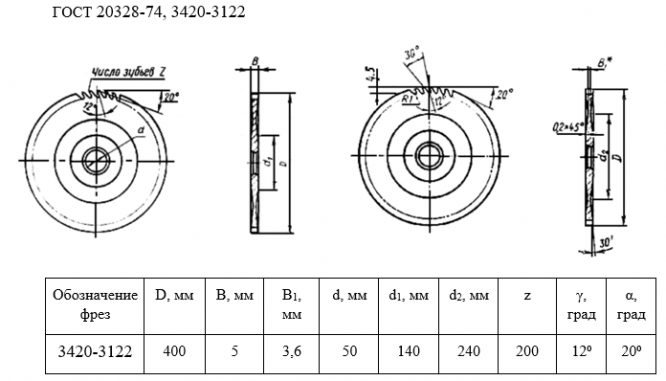
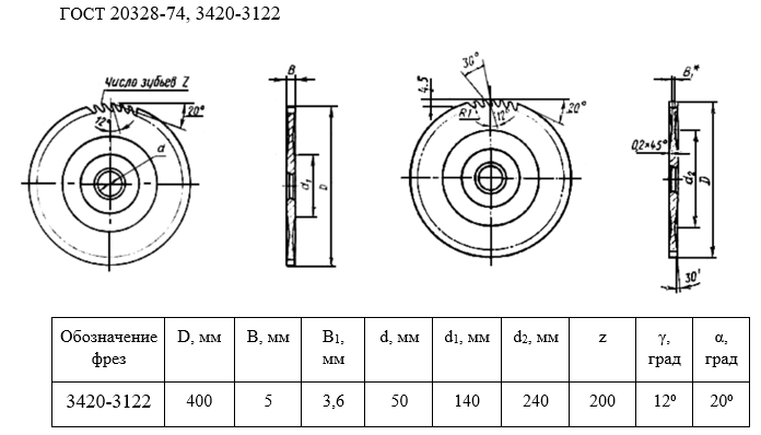
1. Определить настроечные размеры для шлифования задней поверхности дисковой фрезы торцом чашечного шлифовального круга и периферией плоского шлифовального круга.
2. Определить настроечные размеры для шлифования передней поверхности дисковой фрезы торцовой поверхностью тарельчатого шлифовального круга и конической поверхностью тарельчатого шлифовального круга.
3. Назначить режимы шлифования, выбрать характеристику абразивного инструмента.
4. Разработать операционный эскиз шлифования зуба дисковой фрезы при заточке по задней и передней поверхностям.
Исходные данные:
- Файл содержат готовое ДЗ в Word с титульником, все необходимые расчеты, чертежи и их исходники в формате .cdw (Компас). Все верно и зачтено!
Характеристики домашнего задания
Учебное заведение
Номер задания
Вариант
Теги
Просмотров
16
Качество
Идеальное компьютерное
Размер
798,35 Kb
Преподаватели
Список файлов
4ДЗ_ТИП_9 Вариант
4ДЗ_ТИП_9 Вариант.docx
Chertezhi.cdw
МГТУ им. Н.Э.Баумана

kinder


















