Для студентов МГТУ им. Н.Э.Баумана по предмету Технология энергомашиностроенияДомашнее задание - рабочее колесо насосаДомашнее задание - рабочее колесо насоса
4,9951094
2025-06-122025-06-12СтудИзба
ДЗ 1: Домашнее задание - рабочее колесо насоса
Описание
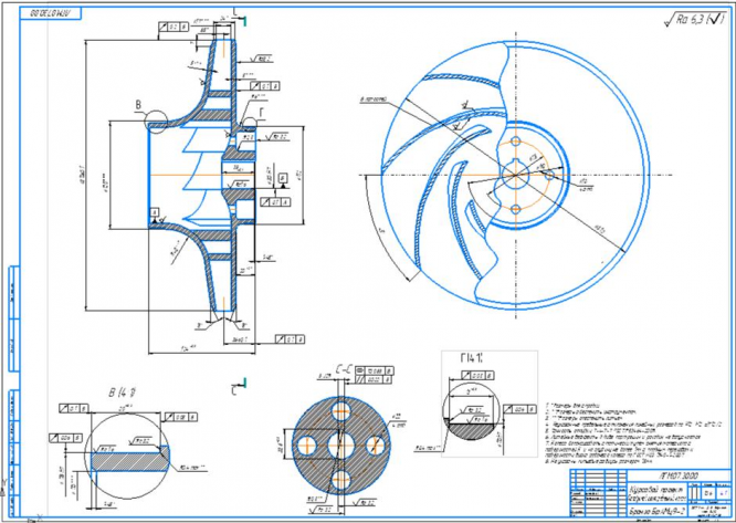
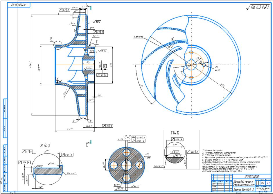
Разработка технологии изготовления рабочего колеса насоса.
1) Служебное назначение детали
2) Анализ технологических требований на деталь
3) Качественный анализ технологических требований на деталь
4) Анализ материала: - БРАМЦ 9-2
5) Способ получения заготовки
6) Определение размеров литой заготовки
![]()
1) Служебное назначение детали
2) Анализ технологических требований на деталь
3) Качественный анализ технологических требований на деталь
4) Анализ материала: - БРАМЦ 9-2
5) Способ получения заготовки
6) Определение размеров литой заготовки

Характеристики домашнего задания
Учебное заведение
Семестр
Номер задания
Просмотров
6
Размер
1,72 Mb
Список файлов
Чертеж насоса (2) (1).pdf

Спасибо за покупку! Я буду очень рад, если поставишь справедливую оценку купленному файлу