Для студентов МГТУ им. Н.Э.Баумана по предмету Технологии ракетно-космической техники (ТРКТ)Расчет погрешности обработки деталей машинРасчет погрешности обработки деталей машин
5,0053
2022-09-072022-09-07СтудИзба
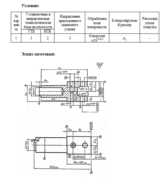
ДЗ: Расчет погрешности обработки деталей машин вариант 1
Описание

Характеристики домашнего задания
Учебное заведение
Семестр
Вариант
Просмотров
65
Размер
1 Mb
Список файлов
дз1.docx
МГТУ им. Н.Э.Баумана


















