Для студентов МГТУ им. Н.Э.Баумана по предмету Технологии изготовления сложнопрофильных деталейДЗ по дисциплине: Технология изготовления сложнопрофильных деталейДЗ по дисциплине: Технология изготовления сложнопрофильных деталей
4,9957336
2023-01-142023-01-14СтудИзба
ДЗ: ДЗ по дисциплине: Технология изготовления сложнопрофильных деталей вариант 8
Описание
СОДЕРЖАНИЕ
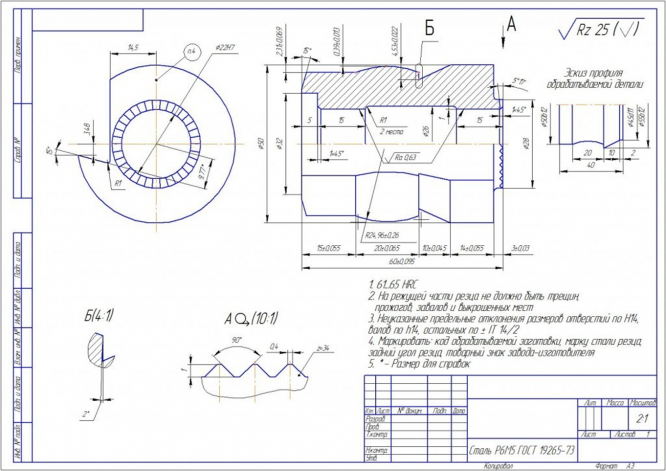
- Обоснованный выбор метода обработки сложнопрофильной поверхности на основании анализа чертежа детали, технических требований, литературных источников
- Определение технологических требований к операции
- Выбор оборудования
- Выбор технологической оснастки: приспособление для закрепления заготовки, инструмент
- Разработка операционной технологии. Назначение режимов обработки
- Разработка эскиза наладки на операцию
- Список использованных источников
ДЕМО



Технологии изготовления сложнопрофильных деталей.
Характеристики домашнего задания
Учебное заведение
Семестр
Вариант
Программы
Просмотров
31
Качество
Идеальное компьютерное
Размер
746,5 Kb
Список файлов
Технология изготовления сложнопрофильных деталей.docx

Если работа Вам была полезна, Пожалуйста, потратьте несколько секунд, чтобы оставить нам 5 ЗВЁЗД и положительный отзывы. Мы Вам глубоко признателены!