Ответы к экзамену КМ-3: Технологические энергоносители и энергосистемы предприятий
Новинка
-40%
Описание
🙋♂️🙋♂️🙋♂️ КМ-3 Технологические энергоносители и энергосистемы предприятий . Коллекция ответов вуз ПРОМЕТЕЙ 85 % верных.
👑👑👑 Огромная база ответов по множеству предметов.
♥️ В том числе есть услуга сдачи отдельных предметов и сессий в целом!!!!!!!!!!!!
♥️ Благодарю за покупку!
♥️ ОБРАЩАйТЕСЬ (Для быстрого поиска вопроса используйте Ctrl+F).
👑👑👑 Огромная база ответов по множеству предметов.
♥️ В том числе есть услуга сдачи отдельных предметов и сессий в целом!!!!!!!!!!!! ♥️ Благодарю за покупку!
♥️ ОБРАЩАйТЕСЬ (Для быстрого поиска вопроса используйте Ctrl+F).
Список вопросов
Укажите неверное утверждение. Потребность предприятия в воде всех категорий удовлетворяется из природных источников, которые должны:
Хозяйственно-питьевое водоснабжение подразумевает использование воды
Для потребителей 1-й группы производственно-технического водоснабжения
Производственно-техническое водоснабжение предназначено для целей
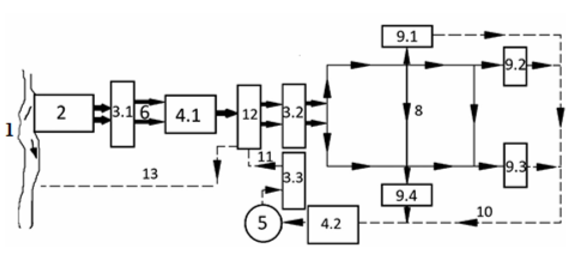
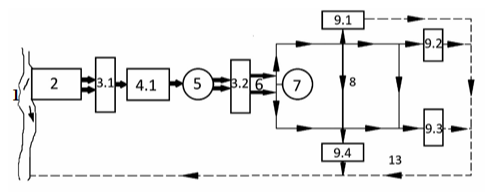
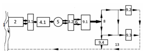
Приведенная на схеме система водоснабжения промпредприятия ![]()

Укажите неверное утверждение. Хозяйственно-питьевое водоснабжение подразумевает использование воды:
Представленный график ![]()

Для потребителей 2-й группы производственно-технического водоснабжения
Представленный график
![]()

Приведенная на схеме система водоснабжения промпредприятия ![]()

На какие цели расходуется вода на промпредприятий?
В состав системы водоснабжения не включают следующие сооружения:
Расход воды для пожаротушения на промышленных предприятиях нормируется в зависимости от:
Сколько от всего количества производственной воды расходуется на охлаждение технологических аппаратов с целью обеспечения необходимого температурного уровня проведения технологического процесса или же с целью обеспечения стойкости элементов и деталей, работающих в области высоких температур или в трущихся узлах механического оборудования
Сколько от всего количества производственной воды расходуется на приготовление растворов, электролитов и другой продукции?
Для тушения пожаров используется вода:
Укажите неверное утверждение. «Потребность предприятия в воде всех категорий удовлетворяется из природных источников, которые должны …»:
Производственно-техническое водоснабжение предназначено для:
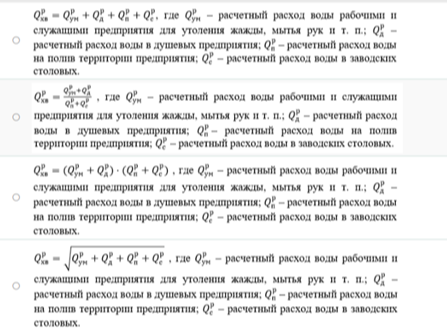
Расчетный часовой расход воды, м3/ч, рабочими и служащими предприятия за максимальную смену определяется по выражению:
![]()

Приведенная на схеме система водоснабжения промпредприятия:
![]()

Хозяйственно-питьевое водоснабжение подразумевает использование воды:
Каковы отличительные особенности систем водоснабжения?
Суммарное расчетное часовое потребление хозяйственно-питьевой воды на предприятии определяется формулой:
![]()

Отметьте одно или несколько преимуществ «сухих» градирен (АВОВ) по сравнению с капельными и пленочными градирнями. Укажите все верные ответы
При работе охлаждающих устройств оборотных систем водоснабжения возникают потери воды на испарение, которые определяются формулой
Укажите неверное утверждение. «Производственно-техническое водоснабжение подразумевает использование воды …»:
Какие системы используют в техническом водоснабжении?
Сколько от всего количества производственной воды расходуется на выработку пара: в паровых котлах, системах испарительного охлаждения и других утилизационных установках?
Рекомендуется ли использовать городскую воду на технические нужды?
Укажите размерность суммарного расчетного часового потребления хозяйственно-питьевой воды на предприятии:
Характеристики ответов (шпаргалок) к экзамену
Комментарии
Нет комментариев
Стань первым, кто что-нибудь напишет!
ИДДО НИУ «МЭИ»
akop

















