Паровая компрессорная холодильная установка, схема которой приведена на рис. 1, а цикл на Т-S диаграмме (рис. 2), в качестве рабочего тела использует двуокись углерода. Компрессор всасывает насыщенный пар и изоэнтропно сжимает его, превращая в сухой
Описание
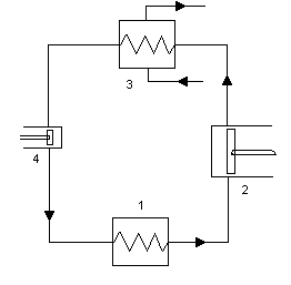
Паровая компрессорная холодильная установка, схема которой приведена на рис. 1, а цикл на Т-S диаграмме (рис. 2), в качестве рабочего тела использует двуокись углерода. Компрессор всасывает насыщенный пар и изоэнтропно сжимает его, превращая в сухой насыщенный пар при давлении, соответствующем температуре конденсации t2=20 ºС. Из компрессора двуокись углерода поступает в конденсатор, где при постоянном давлении превращается в жидкость, после чего расширяется в расширительном цилиндре до давления, соответствующего температуре испарения
t1= -10 ºС. При этой же температуре двуокись углерода поступает в охлаждаемое помещение, где, забирая теплоту от охлаждаемых тел, испаряется, образуя влажный пар со степенью сухости х1.
Определить удельную холодопроизводительность холодильной установки, теплоту, отданную в конденсаторе, работу, затраченную в цикле, и холодильный коэффициент.
Рис. 1
Рис. 2
Характеристики решённой задачи
Список файлов
