Для студентов по предмету Строительная механикаРасчет многопролетной статически определимой балки.Расчет многопролетной статически определимой балки.
5,00518170
2024-09-152024-09-15СтудИзба
Задача: Расчет многопролетной статически определимой балки.
Описание
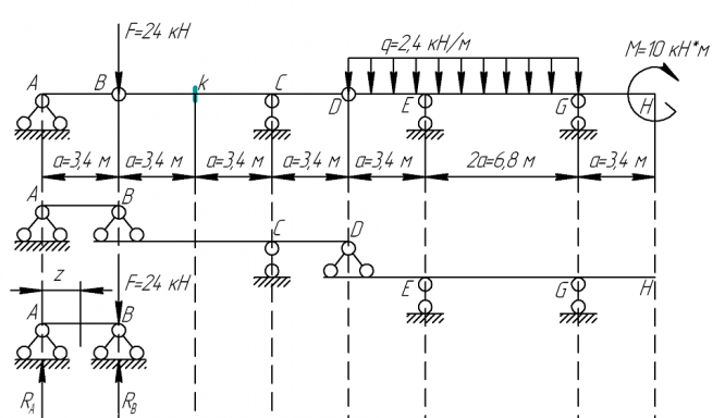
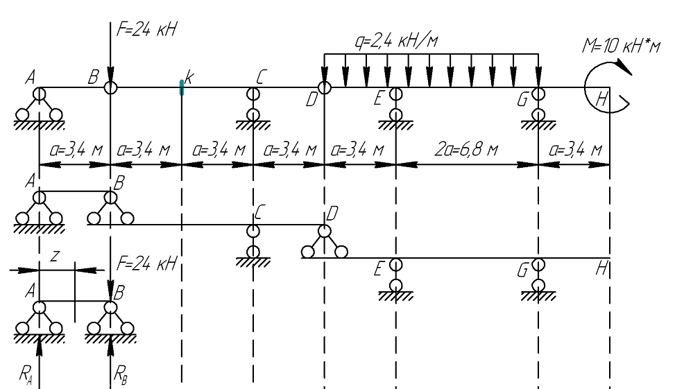
Для балки требуется:
а) построить эпюры Mи Q(аналитически);
б) построить линии влияния Mи Q для заданного сечения, а также линию влияния одной опорной реакции R;
в) определить по линиям влияния значения M, Q и Rот заданной нагрузки;
г) определить прогиб и угол поворота заданного сечения балки.
Таблица 1.1
a, м | q, кН/м | F, кН/м | M, кН∙м | Номер схемы балки |
3,4 | 2,4 | 24 | 10 | 0 |


Файлы условия, демо
Характеристики решённой задачи
Предмет
Программы
Просмотров
1
Качество
Идеальное компьютерное
Размер
402,21 Kb
Список файлов
Задача.docx
