Для студентов по предмету Строительная механикаПодробный расчет рамы методом перемещенийПодробный расчет рамы методом перемещений
5,00552
2023-09-212023-09-21СтудИзба
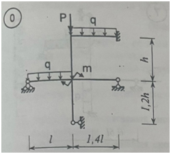
Задача 6: Подробный расчет рамы методом перемещений
Описание

Файлы условия, демо
Характеристики решённой задачи
Предмет
Номер задания
Просмотров
4
Качество
Идеальное компьютерное
Размер
2,42 Mb
Список файлов
Метод перемещений зд 6.docx
Комментарии
Нет комментариев
Стань первым, кто что-нибудь напишет!
buldigerov























