Для студентов по предмету Строительная механикаРасчет разрезной балки на постоянную и подвижную нагрузкуРасчет разрезной балки на постоянную и подвижную нагрузку
5,00542
2023-09-202023-09-20СтудИзба
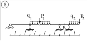
Задача 1: Расчет разрезной балки на постоянную и подвижную нагрузку вариант 518
Описание

Файлы условия, демо
Характеристики решённой задачи
Предмет
Номер задания
Вариант
Просмотров
2
Качество
Идеальное компьютерное
Размер
445,76 Kb
Список файлов
КР 1.docx
buldigerov























