Практическая работа 3. Расчёт сжатых стержней на устойчивость. Вариант 826

Задача 3: Расчёт сжатых стержней на устойчивость вариант 826
Новинка

Описание

Практическая работа №3.

Расчёт сжатых стержней на устойчивость.

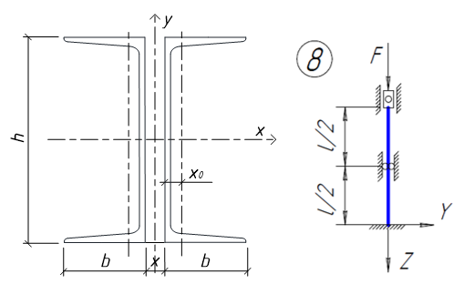
Поперечное сечение центрально сжатой стойки составлено из стальных прокатных профилей, соединенных в сплошное сечение при помощи диагональной решетки из стальных планок.

Определить: допускаемую нагрузку из условия устойчивости, критическую нагрузку и коэффициент запаса устойчивости – для стойки заданной формы поперечного сечения, а также для стойки кольцевого сечения. Оба сечения имеют одинаковую площадь, для кольца известно соотношение диаметров: α=d/D=0,9.

Для стойки с заданным составным сечением:

1. Определить расстояние х из условия равноустойчивости сечения (кроме сечения № 4).

2. Определить наибольшую допускаемую величину сжимающей нагрузки на стойку, используя коэффициент продольного изгиба.

3. Определить величину критической нагрузки и коэффициента запаса устойчивости стойки, приняв:

для Ст. 2 – λо=60; λпред=105; а=245 МПа, b=0,67 МПа.

для Ст. 3 – λо=61; λпред=101; а=304 МПа, b=1,12 МПа.

для Ст. 5 – λо=55; λпред=90; а=342 МПа, b=1,39 МПа.

4. Повторить п.п. 2 и 3 для стойки с равновеликим по площади кольцевым сечением при всех прочих равных условиях.

5. Провести сравнение двух стоек с разными поперечными сечениями по грузоподъёмности.

Дано: вариант 826; № схемы стойки – 8 (μ=0,35); l=16,2м;

№ схемы сечения –2; марка стали Ст.5, [σ]=180 МПа.

Швеллер № 16a, с=1,8 см.


Решение выполнено в Microsoft Word.
Учебные материалы по курсу сопротивление материалов (там же находятся и задания к задачам) https://studizba.com/file...u-soprotivlenie.html
Если не нашли решения своего варианта, пишите эксперту 👉 Написать эксперту
Быстрое и недорогое решение практической работы №3 в течении считаных минут.
Показать/скрыть дополнительное описание

Росдистант. Сопротивление материалов. Практическая работа 3. Расчёт сжатых стержней на устойчивость. Вариант 826.

Характеристики решённой задачи

Учебное заведение
Семестр
Номер задания
Вариант
Программы
Теги
Просмотров
0
Качество
Идеальное компьютерное
Размер
1,08 Mb

Список файлов

Практическая 3. Вариант 826.docx
Картинка-подпись
Доброго времени суток. Помогаю студентам начиная с 2002го года. Основное направление - технические дисциплины. Статус: “Зимняя сессия 2025-2026 почти позади. Готов к новым заказам”

Комментарии

Нет комментариев
Стань первым, кто что-нибудь напишет!
Поделитесь ссылкой:
Цена: 300 руб.
Расширенная гарантия +3 недели гарантии, +10% цены
Рейтинг автора
5 из 5
Поделитесь ссылкой:
Сопутствующие материалы

Подобрали для Вас услуги

-30%
-30%
Вы можете использовать решённую задачу для примера, а также можете ссылаться на неё в своей работе. Авторство принадлежит автору работы, поэтому запрещено копировать текст из этой работы для любой публикации, в том числе в свою задачу в учебном заведении, без правильно оформленной ссылки. Читайте как правильно публиковать ссылки в своей работе.
Свежие статьи
Популярно сейчас
А знаете ли Вы, что из года в год задания практически не меняются? Математика, преподаваемая в учебных заведениях, никак не менялась минимум 30 лет. Найдите нужный учебный материал на СтудИзбе!
Ответы на популярные вопросы
Да! Наши авторы собирают и выкладывают те работы, которые сдаются в Вашем учебном заведении ежегодно и уже проверены преподавателями.
Да! У нас любой человек может выложить любую учебную работу и зарабатывать на её продажах! Но каждый учебный материал публикуется только после тщательной проверки администрацией.
Вернём деньги! А если быть более точными, то автору даётся немного времени на исправление, а если не исправит или выйдет время, то вернём деньги в полном объёме!
Да! На равне с готовыми студенческими работами у нас продаются услуги. Цены на услуги видны сразу, то есть Вам нужно только указать параметры и сразу можно оплачивать.
Отзывы студентов
Ставлю 10/10
Все нравится, очень удобный сайт, помогает в учебе. Кроме этого, можно заработать самому, выставляя готовые учебные материалы на продажу здесь. Рейтинги и отзывы на преподавателей очень помогают сориентироваться в начале нового семестра. Спасибо за такую функцию. Ставлю максимальную оценку.
Лучшая платформа для успешной сдачи сессии
Познакомился со СтудИзбой благодаря своему другу, очень нравится интерфейс, количество доступных файлов, цена, в общем, все прекрасно. Даже сам продаю какие-то свои работы.
Студизба ван лав ❤
Очень офигенный сайт для студентов. Много полезных учебных материалов. Пользуюсь студизбой с октября 2021 года. Серьёзных нареканий нет. Хотелось бы, что бы ввели подписочную модель и сделали материалы дешевле 300 рублей в рамках подписки бесплатными.
Отличный сайт
Лично меня всё устраивает - и покупка, и продажа; и цены, и возможность предпросмотра куска файла, и обилие бесплатных файлов (в подборках по авторам, читай, ВУЗам и факультетам). Есть определённые баги, но всё решаемо, да и администраторы реагируют в течение суток.
Маленький отзыв о большом помощнике!
Студизба спасает в те моменты, когда сроки горят, а работ накопилось достаточно. Довольно удобный сайт с простой навигацией и огромным количеством материалов.
Студ. Изба как крупнейший сборник работ для студентов
Тут дофига бывает всего полезного. Печально, что бывают предметы по которым даже одного бесплатного решения нет, но это скорее вопрос к студентам. В остальном всё здорово.
Спасательный островок
Если уже не успеваешь разобраться или застрял на каком-то задание поможет тебе быстро и недорого решить твою проблему.
Всё и так отлично
Всё очень удобно. Особенно круто, что есть система бонусов и можно выводить остатки денег. Очень много качественных бесплатных файлов.
Отзыв о системе "Студизба"
Отличная платформа для распространения работ, востребованных студентами. Хорошо налаженная и качественная работа сайта, огромная база заданий и аудитория.
Отличный помощник
Отличный сайт с кучей полезных файлов, позволяющий найти много методичек / учебников / отзывов о вузах и преподователях.
Отлично помогает студентам в любой момент для решения трудных и незамедлительных задач
Хотелось бы больше конкретной информации о преподавателях. А так в принципе хороший сайт, всегда им пользуюсь и ни разу не было желания прекратить. Хороший сайт для помощи студентам, удобный и приятный интерфейс. Из недостатков можно выделить только отсутствия небольшого количества файлов.
Спасибо за шикарный сайт
Великолепный сайт на котором студент за не большие деньги может найти помощь с дз, проектами курсовыми, лабораторными, а также узнать отзывы на преподавателей и бесплатно скачать пособия.
Популярные преподаватели
Добавляйте материалы
и зарабатывайте!
Продажи идут автоматически
7190
Авторов
на СтудИзбе
250
Средний доход
с одного платного файла
Обучение Подробнее