Задача 5.1 вариант 3
Описание
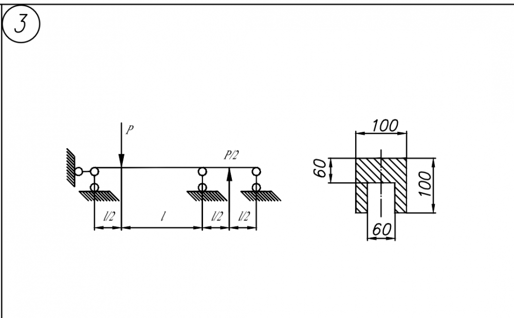
Правильно решенная задача 3 вариант с проверкой и расчетом нагрузки. Очень подробное решение с пояснениями. Приняла Полякова
![]()

Характеристики решённой задачи
Предмет
Учебное заведение
Семестр
Номер задания
Вариант
Теги
Просмотров
20
Качество
Фото рукописных листов
Размер
1,31 Mb
Преподаватели
Список файлов
5262715499462727698.jpg
5262715499462727697.jpg
5262715499462727695.jpg
5262715499462727693.jpg
5262715499462727692.jpg
5262715499462727691.jpg
5262715499462727689.jpg
5262715499462727688.jpg
5262715499462727687.jpg
Комментарии
Нет комментариев
Стань первым, кто что-нибудь напишет!
МГТУ им. Н.Э.Баумана

















