Задача 5.1 вариант 24
Описание
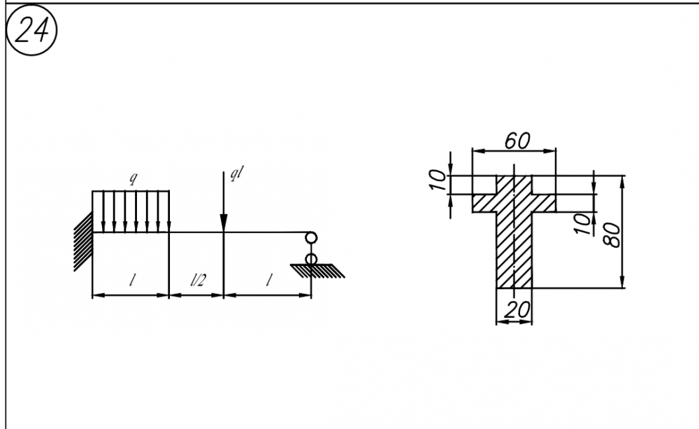
Правильно решенная задача 24 вариант с проверкой и расчетом нагрузки. Приняла Полякова
![]()

Характеристики решённой задачи
Предмет
Учебное заведение
Семестр
Номер задания
Вариант
Теги
Просмотров
10
Качество
Скан рукописных листов
Размер
4,81 Mb
Преподаватели
Список файлов
дз сопр 5-1 (1) (1) (1).pdf
Комментарии
Нет комментариев
Стань первым, кто что-нибудь напишет!
МГТУ им. Н.Э.Баумана

















