Для студентов МГТУ им. Н.Э.Баумана по предмету Сопротивление материаловЗадача 4.2Задача 4.2
5,0051
2026-02-112026-02-11СтудИзба
Задача 4.2 вариант 13
Новинка
Описание
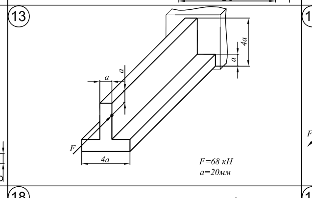
Решенная задача по теме статически определимые балки. Задача 2. 13 вариант. Приняла Полякова осенью 25 года.
![]()

Характеристики решённой задачи
Предмет
Учебное заведение
Семестр
Номер задания
Вариант
Теги
Просмотров
6
Качество
Фото рукописных листов
Размер
660,72 Kb
Преподаватели
Список файлов
5215586754604242364.jpg
5215586754604242361.jpg
Комментарии
Нет комментариев
Стань первым, кто что-нибудь напишет!
МГТУ им. Н.Э.Баумана



















