Для студентов МГТУ им. Н.Э.Баумана по предмету Сопротивление материаловЗадача 6.2Задача 6.2
4,9957402
2025-09-042025-09-12СтудИзба
Задача 6.2 вариант 10, 10А
-41%
Описание
ЗАДАЧА ВЫПОЛНЕНА В ВЫСОКИМ КАЧЕСТВОМ (PDF) И ЗАЧТЕНА НА МАКСИМУМ!
УСЛОВИЕ: Задание № 6.2 - Расчет на прочность. Общий случай напряженного состояния
Для деталей, изображенных на чертежах и указанных в тексте задач, требуется:
- Определить напряженное состояние в наиболее нагруженных точках
- Исследовать напряженное состояние в этих точках аналитически и графически.
- Определить коэффициент запаса.
ДЕМО ![]()

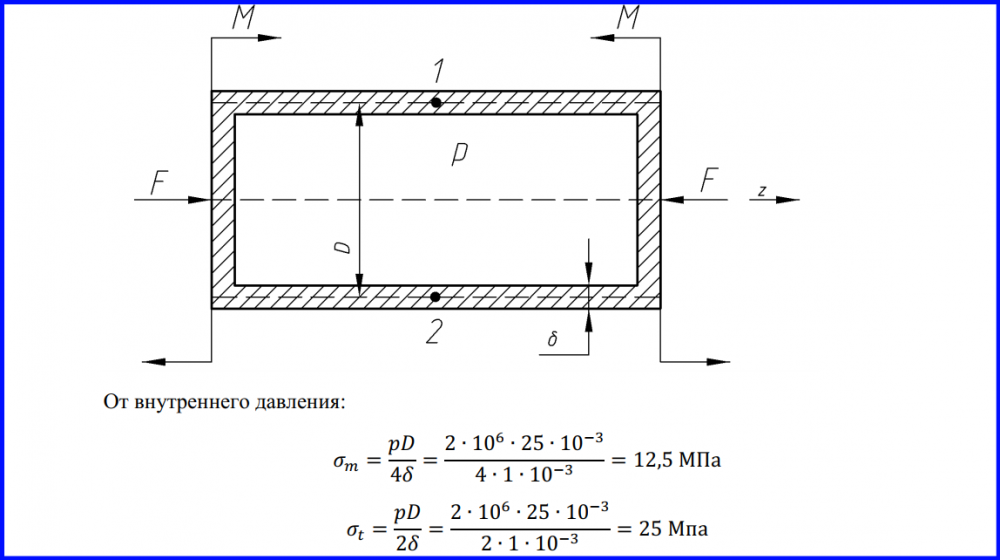
Тонкостенная замкнутая трубка подвергается действию внутреннего давления Р и сил F, представленных на схеме Изучить напряжё нное состояние трубки в области, достаточно удалённой от её концов..
Характеристики решённой задачи
Предмет
Учебное заведение
Семестр
Номер задания
Программы
Просмотров
2
Качество
Идеальное компьютерное
Размер
169,39 Kb
Список файлов
Задача 6.2А-Вариант 10.pdf

Если работа Вам была полезна, Пожалуйста, потратьте несколько секунд, чтобы оставить нам 5 ЗВЁЗД и положительный отзывы. Мы Вам глубоко признателены!