Для студентов МГТУ им. Н.Э.Баумана по предмету Сопротивление материаловЗадача 1.2Задача 1.2
4,96529305
2025-08-192025-08-19СтудИзба
Задача 1.2 вариант 5
-40%
Описание


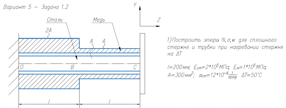
1)Построить эпюры N,σ,w для сплошного стержня и трубки при нагревании стержня на ΔT l=200мм; E/ст=2*105/МПа; E/м=1*105/МПа; A=300мм2/; α/ст=12*10-6/1/град; ΔT=50°С .
Характеристики решённой задачи
Предмет
Учебное заведение
Семестр
Номер задания
Вариант
Программы
Теги
Просмотров
2
Качество
Идеальное компьютерное
Размер
67,5 Kb
Преподаватели
Список файлов
Вариант 5 - Задача 1.2.pdf

Вам все понравилось? Получите кэшбэк - 40 рублей на Ваш счёт при покупке. Поставьте оценку и напишите положительный комментарий к купленному файлу. После Вы получите деньги на ваш счет.