Для студентов МГТУ им. Н.Э.Баумана по предмету Сопротивление материаловЗадача 2.2Задача 2.2
4,96529745
2024-11-052025-09-05СтудИзба
Задача 2.2 вариант 23
-40%
Описание


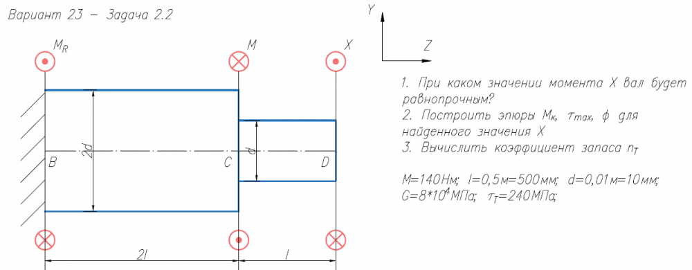
1. При каком значении момента Х вал будет равнопрочным? 2. Построить эпюры М/к, τ/max, φ для найденного значения Х 3. Вычислить коэффициент запаса n/Т М=140Нм; l=0,5м=500мм; d=0,01м=10мм; G=8*104/МПа; τ/Т=240МПа .
Характеристики решённой задачи
Предмет
Учебное заведение
Семестр
Номер задания
Вариант
Программы
Теги
Просмотров
11
Качество
Идеальное компьютерное
Размер
134,26 Kb
Преподаватели
Список файлов
Вариант 23 - Задача 2.2.pdf

Вам все понравилось? Получите кэшбэк - 40 рублей на Ваш счёт при покупке. Поставьте оценку и напишите положительный комментарий к купленному файлу. После Вы получите деньги на ваш счет.