Для студентов МГТУ им. Н.Э.Баумана по предмету Сопротивление материаловЗадача 2.2Задача 2.2
4,96529554
2024-11-052025-09-05СтудИзба
Задача 2.2 вариант 20
-40%
Описание


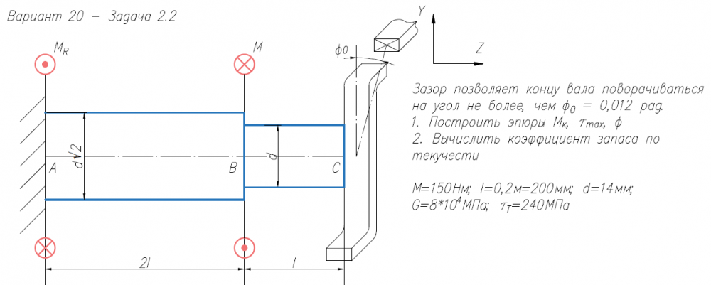
Зазор позволяет концу вала поворачиваться на угол не более, чем φ/0 = 0,012 рад. 1. Построить эпюры М/к, τ/max, φ 2. Вычислить коэффициент запаса по текучести М=150Нм; l=0,2м=200мм; d=14мм; G=8*104/МПа; τ/Т=240МПа .
Характеристики решённой задачи
Предмет
Учебное заведение
Семестр
Номер задания
Вариант
Программы
Теги
Просмотров
13
Качество
Идеальное компьютерное
Размер
203,67 Kb
Преподаватели
Список файлов
Вариант 20 - Задача 2.2.pdf

Вам все понравилось? Получите кэшбэк - 40 рублей на Ваш счёт при покупке. Поставьте оценку и напишите положительный комментарий к купленному файлу. После Вы получите деньги на ваш счет.