Для студентов МГТУ им. Н.Э.Баумана по предмету Сопротивление материаловЗадача 2.2Задача 2.2
4,96529744
2024-11-052025-09-05СтудИзба
Задача 2.2 вариант 5
-40%
Описание


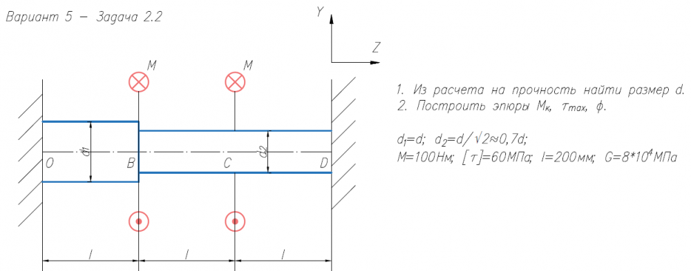
1. Из расчета на прочность найти размер d. 2. Построить эпюры М/к, τ/max, φ. d/1=d; d/2=d/√2≈0,7d; М=100Нм; [τ]=60МПа; l=200мм; G=8*104/МПа.
Характеристики решённой задачи
Предмет
Учебное заведение
Семестр
Номер задания
Вариант
Программы
Теги
Просмотров
11
Качество
Идеальное компьютерное
Размер
224,95 Kb
Преподаватели
Список файлов
Вариант 5 - Задача 2.2.pdf

Вам все понравилось? Получите кэшбэк - 40 рублей на Ваш счёт при покупке. Поставьте оценку и напишите положительный комментарий к купленному файлу. После Вы получите деньги на ваш счет.