Для студентов МГТУ им. Н.Э.Баумана по предмету Сопротивление материаловЗадача 2.1Задача 2.1
4,96529722
2024-06-232024-12-15СтудИзба
Задача 2.1 вариант 7
-40%
Описание


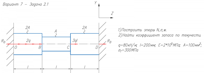
1)Построить эпюры N,σ,w. 2)Найти коэффициент запаса по текучести. q=80кН/м; l=200мм; E=2*105/МПа; A=100мм2/; σ/Т=300МПа.
Характеристики решённой задачи
Предмет
Учебное заведение
Семестр
Номер задания
Вариант
Программы
Теги
Просмотров
19
Качество
Идеальное компьютерное
Размер
205,62 Kb
Список файлов
Вариант 7 - Задача 2.1.pdf

Вам все понравилось? Получите кэшбэк - 40 рублей на Ваш счёт при покупке. Поставьте оценку и напишите положительный комментарий к купленному файлу. После Вы получите деньги на ваш счет.