Для студентов МГТУ им. Н.Э.Баумана по предмету Сопротивление материаловЗадача 4.2Задача 4.2
5,00511
2013-09-042025-03-01СтудИзба
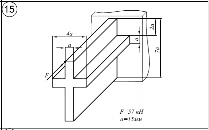
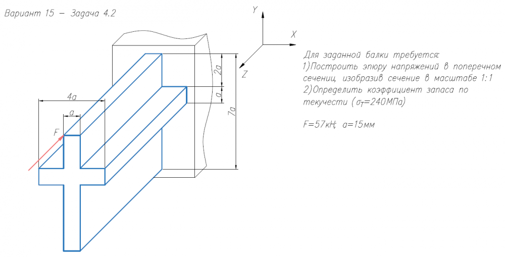
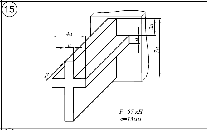
Задача 4.2 вариант 15
-38%
Описание


Для заданной балки требуется: 1)Построить эпюру напряжений в поперечном сечении, изобразив сечение в масштабе 1:1 2)Определить коэффициент запаса по текучести (σ/Т=240МПа).
Характеристики решённой задачи
Предмет
Учебное заведение
Семестр
Номер задания
Вариант
Программы
Теги
Просмотров
3493
Качество
Идеальное компьютерное
Размер
75,57 Kb
Список файлов
Вариант 15 - Задача 4.2.pdf

Вам все понравилось? Получите кэшбэк - 40 рублей на Ваш счёт при покупке. Поставьте оценку и напишите положительный комментарий к купленному файлу. После Вы получите деньги на ваш счет.