Для студентов МГТУ им. Н.Э.Баумана по предмету Сопротивление материаловЗадача 4.2Задача 4.2
5,0056
2013-09-042024-11-15СтудИзба
Задача 4.2 вариант 4
-38%
Описание


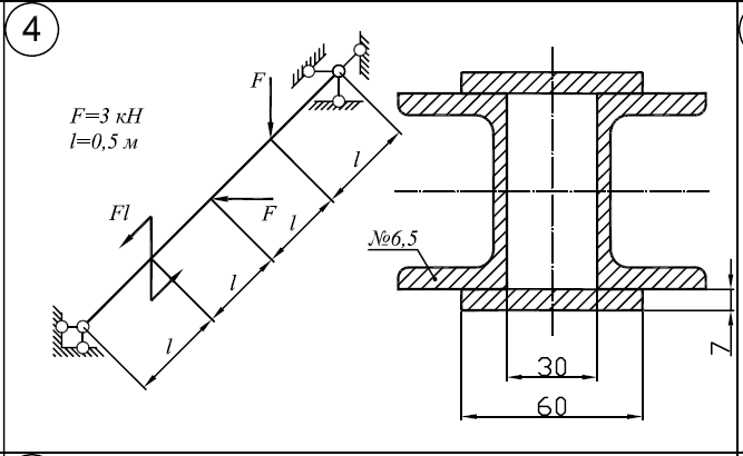
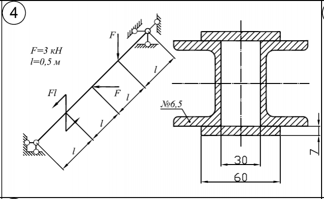
Для заданной балки требуется: 1)Построить эпюру моментов 2)Вычислить наибольшее нормальное напряжение в опасном сечении и определить коэффициент запаса по текучести (σ/Т=240МПа) 3)Построить эпюру нормальных напряжений в опасном сечении, изобразив сечение в масштабе 1:1.
Характеристики решённой задачи
Предмет
Учебное заведение
Семестр
Номер задания
Вариант
Программы
Теги
Просмотров
1699
Качество
Идеальное компьютерное
Размер
115,07 Kb
Список файлов
Вариант 4 - Задача 4.2.pdf

Вам все понравилось? Получите кэшбэк - 40 рублей на Ваш счёт при покупке. Поставьте оценку и напишите положительный комментарий к купленному файлу. После Вы получите деньги на ваш счет.