Для студентов МГТУ им. Н.Э.Баумана по предмету Сопротивление материаловЗадача 5.1Задача 5.1
5,0051
2024-02-212025-02-11СтудИзба
Вариант 2 - ДЗ №1 - "Статически неопределимые задачи изгиба" - Задача 1
Задача 5.1 вариант 2
Описание
Домашнее задание №1, задача 5-1, "Статически неопределимые задачи изгиба", зачтено
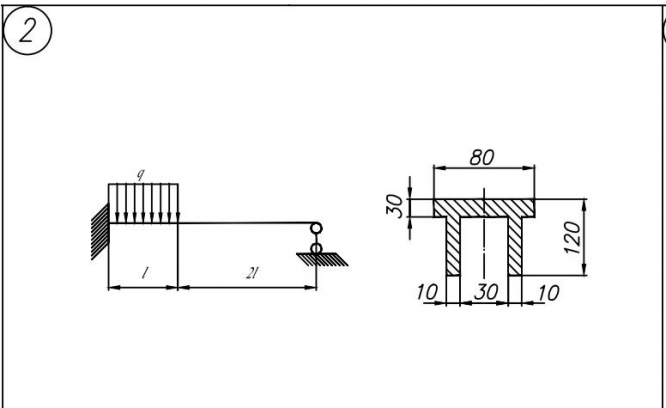
Условие:
Решение:
Показать/скрыть дополнительное описание
Условие:


Типовой расчет по сопротивлению материалов МГТУ 4 семестр домашнее задание.
Характеристики решённой задачи
Предмет
Учебное заведение
Семестр
Номер задания
Вариант
Теги
Просмотров
23
Качество
Фото рукописных листов
Размер
2,28 Mb
Список файлов
Вариант 2 - Задача 5.1 800.pdf

Спасибо за покупку! Я буду очень рад, если поставишь справедливую оценку купленному файлу :3 Ищи больше работ в моём профиле, там много нужного тебе!