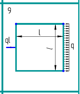
Для студентов МГТУ им. Н.Э.Баумана по предмету Сопротивление материаловЗадача 1.9Задача 1.9
4,96529733
2024-01-082024-09-01СтудИзба
Задача 1.9 вариант 8
-41%
Описание
Характеристики решённой задачи
Предмет
Учебное заведение
Семестр
Номер задания
Вариант
Программы
Теги
Просмотров
6
Качество
Идеальное компьютерное
Размер
71,16 Kb
Список файлов
Вариант 8 - Задача (9).pdf

Вам все понравилось? Получите кэшбэк - 40 рублей на Ваш счёт при покупке. Поставьте оценку и напишите положительный комментарий к купленному файлу. После Вы получите деньги на ваш счет.