Для студентов МГТУ им. Н.Э.Баумана по предмету Сопротивление материаловЗадача 1.8Задача 1.8
5,0051
2024-01-082024-09-01СтудИзба
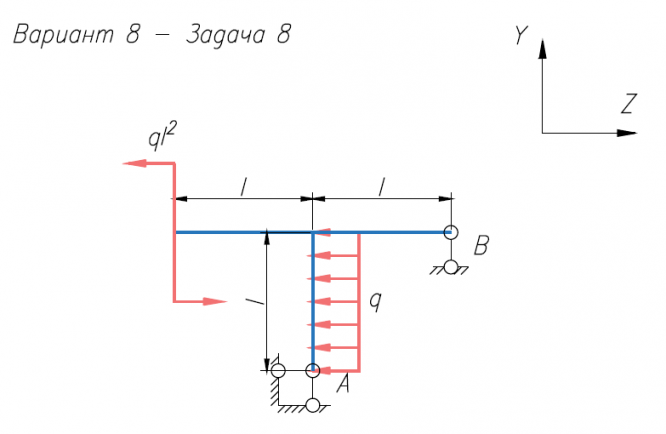
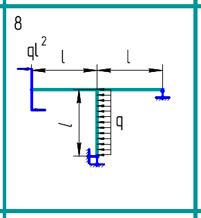
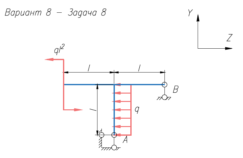
Задача 1.8 вариант 8
-41%
Описание
Характеристики решённой задачи
Предмет
Учебное заведение
Семестр
Номер задания
Вариант
Программы
Теги
Просмотров
9
Качество
Идеальное компьютерное
Размер
26,51 Kb
Список файлов
Вариант 8 - Задача (8).pdf

Вам все понравилось? Получите кэшбэк - 40 рублей на Ваш счёт при покупке. Поставьте оценку и напишите положительный комментарий к купленному файлу. После Вы получите деньги на ваш счет.