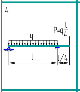
Для студентов МГТУ им. Н.Э.Баумана по предмету Сопротивление материаловЗадача 1.4Задача 1.4
4,96529479
2024-01-082024-09-01СтудИзба
Задача 1.4 вариант 8
-41%
Описание
Характеристики решённой задачи
Предмет
Учебное заведение
Семестр
Номер задания
Вариант
Программы
Теги
Просмотров
1
Качество
Идеальное компьютерное
Размер
33,42 Kb
Список файлов
Вариант 8 - Задача (4).pdf

Вам все понравилось? Получите кэшбэк - 40 рублей на Ваш счёт при покупке. Поставьте оценку и напишите положительный комментарий к купленному файлу. После Вы получите деньги на ваш счет.