Для студентов МГТУ им. Н.Э.Баумана по предмету Сопротивление материаловЗадача 4.1Задача 4.1
4,97514426
2023-12-102024-09-04СтудИзба
Вариант 1 - ДЗ-3 "Статически определимые балки"
Задача 4.1 вариант 1
-22%
Описание
Типовой расчет по сопротивлению материалов №3, 1 задача: "Статически определимые балки", зачтено
Условие:
Пример оформления:
Показать/скрыть дополнительное описание
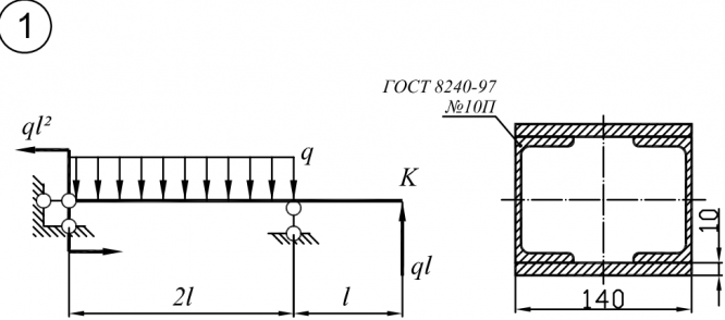
Условие:


Типовой расчет по сопротивлению материалов МГТУ 3 семестр домашнее задание кручение сжатие эпюры балки.
Характеристики решённой задачи
Предмет
Учебное заведение
Семестр
Номер задания
Вариант
Теги
Просмотров
28
Качество
Фото рукописных листов
Размер
1,14 Mb
Список файлов
Вариант 1 Прямой изгиб 320.pdf

Спасибо за покупку! Я буду очень рад, если поставишь справедливую оценку купленному файлу :3 Ищи больше работ в моём профиле, там много нужного тебе!