Для студентов МГТУ им. Н.Э.Баумана по предмету Сопротивление материаловЗадача 4.1Задача 4.1
5,0053
2023-11-282024-11-27СтудИзба
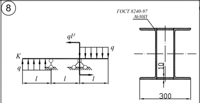
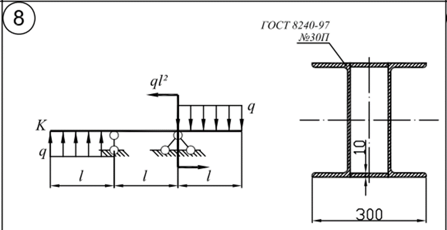
Задача 4.1 вариант 8
-47%
Описание
Характеристики решённой задачи
Предмет
Учебное заведение
Семестр
Номер задания
Вариант
Теги
Просмотров
36
Качество
Идеальное компьютерное
Размер
182,44 Kb
Список файлов
Вариант 8 - задача 4-1.docx

Ваше удовлетворение является нашим приоритетом, если вы удовлетворены нами, пожалуйста, оставьте нам 5 ЗВЕЗД и позитивных комментариев. Спасибо большое!. Смотрите файлы в моем профиле, там есть много полезных !