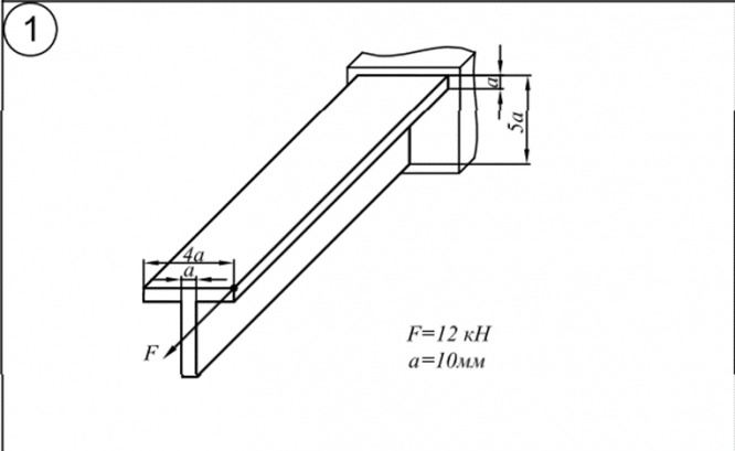
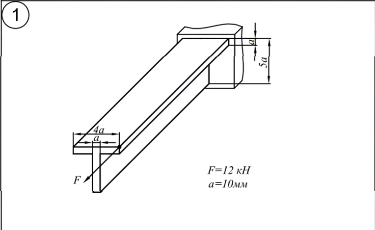
Для студентов МГТУ им. Н.Э.Баумана по предмету Сопротивление материаловЗадача 4.2Задача 4.2
4,9958834
2023-11-242024-11-27СтудИзба
Задача 4.2 вариант 1
-47%
Описание
Характеристики решённой задачи
Предмет
Учебное заведение
Семестр
Номер задания
Вариант
Теги
Просмотров
11
Качество
Идеальное компьютерное
Размер
98,7 Kb
Список файлов
Вариант 1 - задача 4-2.docx

Ваше удовлетворение является нашим приоритетом, если вы удовлетворены нами, пожалуйста, оставьте нам 5 ЗВЕЗД и позитивных комментариев. Спасибо большое!. Смотрите файлы в моем профиле, там есть много полезных !