Для студентов МГТУ им. Н.Э.Баумана по предмету Сопротивление материаловЗадача 1.2Задача 1.2
4,96529701
2023-11-232025-02-02СтудИзба
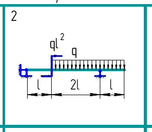
Задача 1.2 вариант 21
-41%
Описание
Характеристики решённой задачи
Предмет
Учебное заведение
Семестр
Номер задания
Вариант
Программы
Теги
Просмотров
20
Качество
Идеальное компьютерное
Размер
29,09 Kb
Список файлов
Вариант 21 - Задача (2).pdf

Вам все понравилось? Получите кэшбэк - 40 рублей на Ваш счёт при покупке. Поставьте оценку и напишите положительный комментарий к купленному файлу. После Вы получите деньги на ваш счет.