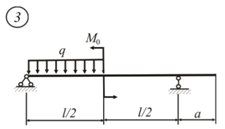
Задача 9: Расчет балки на прочность и жесткость. Вычисление перемещений разными способами
Описание

Файлы условия, демо
Характеристики решённой задачи
Предмет
Семестр
Номер задания
Просмотров
5
Качество
Идеальное компьютерное
Размер
861,64 Kb
Список файлов
Балка перемещения разные методы.docx
Комментарии
Нет комментариев
Стань первым, кто что-нибудь напишет!
buldigerov





















