Для студентов МГТУ им. Н.Э.Баумана по предмету Сопротивление материаловЗадача 1.5Задача 1.5
4,95530002
2023-08-092024-09-01СтудИзба
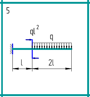
Задача 1.5 вариант 10
-41%
Описание
Характеристики решённой задачи
Предмет
Учебное заведение
Семестр
Номер задания
Вариант
Программы
Теги
Просмотров
8
Качество
Идеальное компьютерное
Размер
27,59 Kb
Список файлов
Вариант 10 - Задача (5).pdf

Вам все понравилось? Получите кэшбэк - 40 рублей на Ваш счёт при покупке. Поставьте оценку и напишите положительный комментарий к купленному файлу. После Вы получите деньги на ваш счет.