Для студентов МГТУ им. Н.Э.Баумана по предмету Сопротивление материаловЗадача 1.12Задача 1.12
5,0051
2023-08-092024-09-01СтудИзба
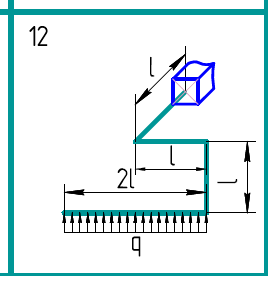
Задача 1.12 вариант 12
-41%
Описание
Характеристики решённой задачи
Предмет
Учебное заведение
Семестр
Номер задания
Вариант
Программы
Теги
Просмотров
10
Качество
Идеальное компьютерное
Размер
21,96 Kb
Список файлов
Вариант 12 - Задача (12).pdf

Вам все понравилось? Получите кэшбэк - 40 рублей на Ваш счёт при покупке. Поставьте оценку и напишите положительный комментарий к купленному файлу. После Вы получите деньги на ваш счет.