Для студентов МГТУ им. Н.Э.Баумана по предмету Сопротивление материаловЗадача 5.1Задача 5.1
5,0053
2023-05-282025-09-08СтудИзба
Вариант 6 - Задание № 5.1 - Статически неопределимые задачи изгиба
Задача 5.1 вариант 6
-41%
Описание
Задача зачтена на максимум!
УСЛОВИЕ
ДЕМО
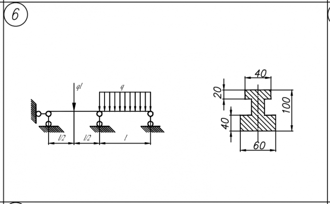
Задача № 5.1:

Произвести расчёт балки при упругих деформациях.
Характеристики решённой задачи
Предмет
Учебное заведение
Семестр
Номер задания
Вариант
Теги
Просмотров
47
Качество
Скан рукописных листов
Размер
3,48 Mb
Список файлов
Задача 5_1 Вариант 6.pdf

Если работа Вам была полезна, Пожалуйста, потратьте несколько секунд, чтобы оставить нам 5 ЗВЁЗД и положительный отзывы. Мы Вам глубоко признателены!