Для студентов МГТУ им. Н.Э.Баумана по предмету Сопротивление материаловЗадача 5.3Задача 5.3
5,0051
2023-04-182025-05-12СтудИзба
Задача 5.3 вариант 13
-30%
Описание


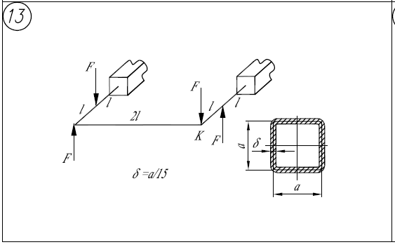
1)Раскрыть статическую неопределимость и построить эпюры изгибающих M/изг и крутящих M/кр моментов. 2)Найти линейное перемещение сечения К. 3)Принять G=0,4E.
Характеристики решённой задачи
Предмет
Учебное заведение
Семестр
Номер задания
Вариант
Программы
Теги
Просмотров
27
Качество
Идеальное компьютерное
Размер
232,42 Kb
Список файлов
Вариант 13 - Задача 5.3.pdf

Вам все понравилось? Получите кэшбэк - 40 рублей на Ваш счёт при покупке. Поставьте оценку и напишите положительный комментарий к купленному файлу. После Вы получите деньги на ваш счет.