Для студентов МГТУ им. Н.Э.Баумана по предмету Сопротивление материаловЗадача 3Задача 3
5,0051
2022-05-212024-09-29СтудИзба
Задача 3 вариант 1
-47%
Описание

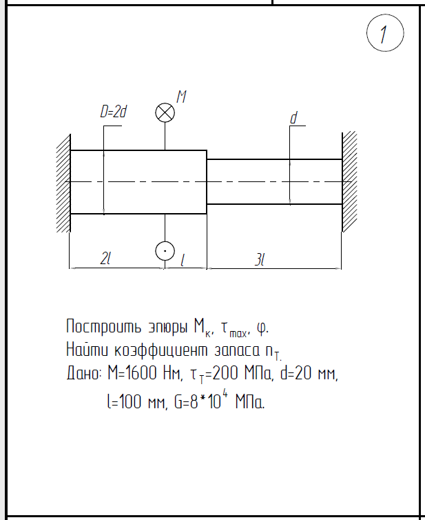
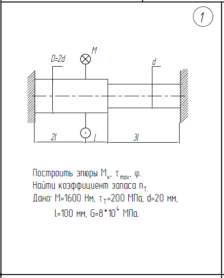
1)Построить эпюры М/к, τ/max, φ 2)Найти коэффициент запаса n/Т М=1600Нм; τ/Т=200МПа; d=20мм; l=100мм; G=8*104/МПа .
Характеристики решённой задачи
Предмет
Учебное заведение
Семестр
Номер задания
Вариант
Теги
Просмотров
58
Качество
Фото рукописных листов
Размер
554,91 Kb
Список файлов
Задача 3.pdf

Вам все понравилось? Получите кэшбэк - 40 рублей на Ваш счёт при покупке. Поставьте оценку и напишите положительный комментарий к купленному файлу. После Вы получите деньги на ваш счет.